自行走吊車SDC-1T一汽大眾款
產品介紹
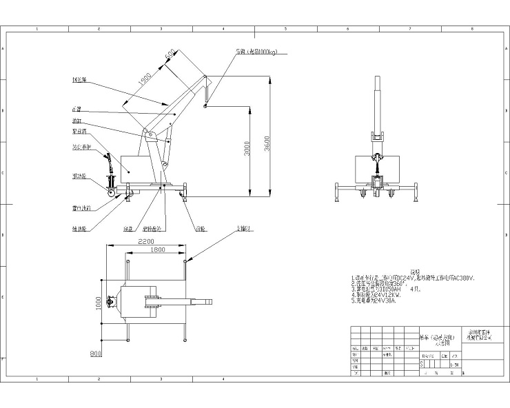
泰州惠澤機械制造有限公司生產的自行走吊車手推行走,可旋轉360度,吊臂長度套筒式,電動旋轉,廣泛用于公司、工廠、港口、車間、工地等地的起吊搬運機械。電動液壓吊車的用處在與吊裝設備、搶險、起重、機械、救援 。
產品參數
產品展示
工程圖紙
售后服務
1、 泰州惠澤機械自行走吊車整車保修一年.
2、 蓄電池保修半年(一定要按蓄電池使用說明書使用及保養,注意增加鉛酸水,否則嚴重虧電使用不保修)
3、 易損件為前輪后輪和驅動輪輪轂,正常磨損不在保修范圍內,如脫膠在保修范圍內
4、 整車鋼結構焊接斷焊或斷裂一年內正常保修(超載導致變形,變形不保修)
5、 電控系統前進\后退確保正常操作,泰州惠澤機械一年內正常保修
6、 提升系統確保上升\下降正常,不自然沉降,泰州惠澤機械一年內正常保修.
7、 液壓缸確保不漏油,與鏈條接軌正常,泰州惠澤機械一年內正常保修.
8、 充電器充不上電一年內正常保修(請注意一定要及時充電,不能在虧電的情況車繼續使用車輛)
9、 保修期內有質量問題供應商上門維修,自接到電話后2小時內做出響應,經雙方協商,采購方能自行解決的,供應商可郵寄配件給采購方自行更換,否則供應商3天內上門進行維修服務.
10、吊鉤吊臂不能正常工作在保修范圍內,鋼絲繩屬易損件(陸個月內保修)
采購:自行走吊車SDC-1T一汽大眾款
- *聯系人:
- *手機:
- 公司名稱:
- 郵箱:
- *采購意向:
-
*驗證碼:





